Tester LocoNet® rozvodůPopis |
LocoNet® wiring testerDescription |
|
|
|
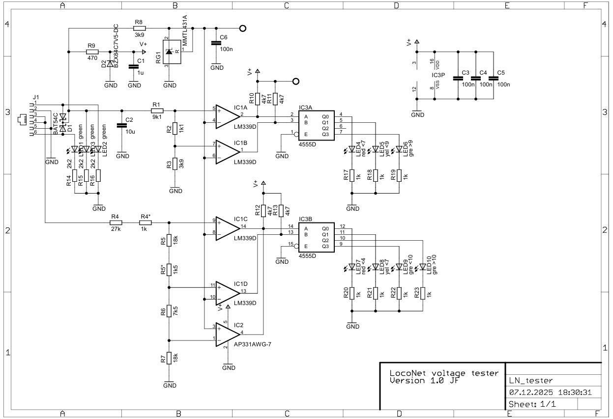
Toto jednoduché zařízení vzniklo zejména pro potřeby setkání, kde se sejde větší množství komponent pro LocoNet rozvody v různé kvalitě provedení. Je proto velmi praktické mít jednoduchou a rychlou možnost prověřit kvalitu vedení. A to i v průběhu setkání, s minimálním vlivem na provoz. Proto jsem si vytvořil tento jednoduchý tester, který se snaží podchytit hlavní problémy, ke kterým dochází vlivem chyb v kabeláži. Zejména tedy chybějící napájení na jednom ze dvou vývodů RailSync, nedostatečné celkové napájecí napětí, nedostatečné napětí LocoNet signálu (špatné zakončení). Tester se nepokouší řešit komplikované situace. Tedy například, jestli je RailSync signál ve kvalitě vhodné pro boostery, jaká je rychlost odezvy LocoNet zakončovače, nebo podobné. K dosažení tohoto cíle tester používá několik indikačních LED. Tři LED pro určení přítomnosti napájecího napětí. LED1 a LED2 indikují napájení na vývodech RailSync. V normálním stavu svítí obě. LED3 indikuje sdružené napájení. Tato LED také v normálním stavu svítí. Dále jsou k dispozici dva indikátory napětí. Tří-úrovňový indikátor napájecího napětí tvořený LED4, LED5 a LED6 indikuje hodnotu napájecího napětí. Hodnoty menší než 7V nejsou pro LocoNet přípustné a indikuje je červená LED. V takovém případě je potřeba zajisti další zdroj napájení, nebo redukovat počet ovladačů na napájecí větvi. Napětí v rozsahu mezi 7V až 9V je sice přípustné, ale není vhodné pro dlouhodobý provoz. Zejména proto, že přidáním dalšího ovladače, nebo krátkodobou změnou spotřeby existujícího ovladače může dojít k poklesu pod povolenou hranici. Tento stav je indikován žlutou LED. V normálním stavu by mělo napájení překračovat 9V. Tento stav je indikován zelenou LED. Druhý indikátor zobrazuje úroveň napětí LocoNet signálu. Hodnota napětí LocoNet signálu nesmí poklesnout pod úroveň 4V. Hodnoty mezi 4V až 7V jsou nebezpečné z dlouhodobého hlediska. Hodnoty mezi 7V až 10V se považují za použitelné, zejména pro moderní ovladače. V normálním stavu by hodnota napětí LocoNet signálu měla přesahovat 10V. Proto je tato hodnota indikovaná zelenou LED. SchémaSchéma je velmi jednoduché. Vychází z jednoduché napěťové reference TL431 (nebo jejích obchodních variant). A pak několika jednoduchých komparátorů typu LM339/LM311 a jejich obchodních variant. Velmi podstatnou součástí schématu jsou napěťové děliče z přesných rezistorů R1 - R3 a R4 - R7. Poslední významnou součástkou je CMOS 4555, která je použitá jen pro čitelnější zobrazení. V zařízení není použita žádná programovatelná součástka. To značně zjednodušuje stavbu. |
This simple device was created especially for the needs of meetings where a large number of components for LocoNet wiring in different quality are gathered. It is therefore very practical to have a simple and quick way to check the quality of the wiring. Even during the meeting, with minimal impact on traffic. That's why I created this simple tester that tries to catch the main problems that occur due to wiring errors. In particular, missing power on one of the two RailSync pins, insufficient total power supply voltage, insufficient LocoNet signal voltage (bad termination). The tester does not try to solve complicated situations. For example, whether the RailSync signal is of a quality suitable for boosters, what is the response speed of the LocoNet terminator, or similar. To achieve this goal, the tester uses several LED indicators. Three LEDs to determine the presence of supply voltage. LED1 and LED2 indicate the power supply at the RailSync terminals. In normal condition, both are lit. LED3 indicates the combined power supply. This LED is also lit in normal condition. In addition, two voltage indicators are available. The three-level supply voltage indicator consisting of LED4, LED5 and LED6 indicates the value of the supply voltage. Values less than 7V are not permissible for LocoNet and are indicated by a red LED. In such a case, it is necessary to provide an additional power source or reduce the number of controllers on the power branch. Voltage in the range between 7V and 9V is permissible, but is not suitable for long-term operation. Especially because adding another controller or a short-term change in the consumption of an existing controller can cause it to drop below the permitted limit. This condition is indicated by a yellow LED. In normal condition, the power supply should exceed 9V. This condition is indicated by a green LED. The second indicator shows the voltage level of the LocoNet signal. The LocoNet signal voltage must not fall below 4V. Values between 4V and 7V are dangerous in the long term. Values between 7V and 10V are considered usable, especially for modern controllers. In normal conditions, the LocoNet signal voltage should exceed 10V. Therefore, this value is indicated by a green LED. SchematicThe scheme is very simple. It is based on a simple voltage reference TL431 (or its commercial variants). And then several simple comparators of the LM339/LM311 type and their commercial variants. A very important part of the scheme are voltage dividers from precision resistors R1 - R3 and R4 - R7. The last significant component is CMOS 4555, which is used only for a more readable display. No programmable components are used in the device. This greatly simplifies the construction. |
|
|
Osazení a montážTester je postaven na desku, která rozměrem odpovídá krabičce Strapubox 2090 - běžně používané na ovladače FREDi, nebo FERDA. To je vhodné zejména pro jednotný přístup k testeru, stejně jako k ovladači. montáž nezahrnuje žádné záludnosti, jen požadavek na precizní práci, zejména při osazování LED, aby správně pasovaly do otvorů v krabičce a měly shodnou výšku. Pro výrobu desky plošných spojů je k dispozici takzvaný "gerber", takže je možné si jí objednat u běžných výrobců desek. Při osazování LED se mi nejvíce osvědčilo si nejprve připravit horní stranu krabičky, vyvrtat do ní potřebné otvory a do otvorů osadit LED. Ne ně pak navléci desku (s již osazenými SMD součástkami) a připájet LED. Pro vrtání je vhodné použít vrtací šablonu. Nejjednodušší varianta šablony je prostý výtisk z přiloženého dokumentu a pomocí ostré jehly přenést středy otvorů na správná místa krabičky. Následně vyvrtat vhodným vrtákem. Pozor na to, ze které strany vrtáte, aby jste nevyvrtali otvory zrcadlově. |
Soldering and buildThe tester is built on a board that corresponds in size to the Strapubox 2090 box - commonly used for FREDi or FERDA throttles. This is especially suitable for uniform access to the tester, as well as to the throttle. The assembly does not involve any tricks, only the requirement for precise work, especially when installing the LEDs, so that they fit correctly into the holes in the box and have the same height. A so-called "gerber" is available for the production of the printed circuit board, so it can be ordered from common board manufacturers. When installing LEDs, I found it most useful to first prepare the top of the box, drill the necessary holes in it and install the LEDs in the holes. Then put the board (with the SMD components already installed) on it and solder the LEDs. It is advisable to use a drilling template for drilling. The simplest version of the template is to simply print out the enclosed document and use a sharp needle to transfer the centers of the holes to the correct places on the box. Then drill with a suitable drill. Be careful which side you drill from so that you do not drill the holes in a mirror image. |
|
|
